Magnetic Effects of Electric Current
NCERT Chapter 12 • Field Lines, Electromagnets, and Domestic Circuits
We know that electricity and magnetism are linked. Hans Christian Oersted (1820) discovered that a compass needle gets deflected when placed near a current-carrying wire. In this chapter, we explore magnetic fields, electromagnets, and domestic circuits.
1. Magnetic Field and Field Lines
The region surrounding a magnet, in which the force of the magnet can be detected, is said to have a Magnetic Field. It is a quantity that has both magnitude and direction.
- They emerge from the North pole and merge at the South pole (outside the magnet).
- Inside the magnet, the direction is from South to North. Thus, they are closed curves.
- The relative strength of the field is shown by the degree of closeness of the lines. Crowded lines = Stronger field.
- No two field lines cross each other. If they did, the compass would point in two directions at once, which is impossible.
2. They are continuous closed loops.
3. They do not intersect each other.
4. Crowded lines indicate a stronger magnetic field.
2. Magnetic Field due to a Current-Carrying Conductor
A. Straight Conductor
The magnetic field lines around a straight current-carrying wire are concentric circles centered on the wire. The direction is given by the Right-Hand Thumb Rule.
Imagine holding the current-carrying conductor in your right hand such that the thumb points towards the direction of current. Then your fingers will wrap around the conductor in the direction of the field lines.
B. Circular Loop
The magnetic field lines are concentric circles near the wire but become straighter near the center. At the center of the circular loop, the arcs appear as straight lines.
3. Magnetic Field due to a Solenoid
A coil of many circular turns of insulated copper wire wrapped closely in the shape of a cylinder is called a Solenoid.
- The field pattern is similar to a bar magnet.
- Inside the solenoid, field lines are parallel straight lines, indicating a uniform magnetic field.
- Electromagnet: A strong magnetic field inside a solenoid can serve to magnetize a piece of soft iron placed inside it. The magnet so formed is called an electromagnet.
Inside the loop: The magnetic field lines go into the table.
Outside the loop: The magnetic field lines come out of the table.
(a) is zero.
(b) decreases as we move towards its end.
(c) increases as we move towards its end.
(d) is the same at all points.
4. Force on a Current-Carrying Conductor in a Magnetic Field
An electric current flowing through a conductor exerts a force on a magnet. Conversely, a magnet exerts an equal and opposite force on the current-carrying conductor.
The displacement (force) is largest when the direction of current is at right angles to the direction of the magnetic field.
Stretch the thumb, forefinger, and middle finger of your left hand mutually perpendicular.
- Forefinger: Magnetic Field
- Middle Finger: Current
- Thumb: Force (Motion)
(a) mass (b) speed (c) velocity (d) momentum
The magnetic force acts perpendicular to motion, changing direction but not speed. Since direction changes, velocity and momentum change.
(i) Current (I) increases.
(ii) Magnetic field (B) is stronger.
(iii) Length (l) is increased.
(a) towards south (b) towards east (c) downward (d) upward
Current (alpha particle motion) is West. Force (deflection) is North. Using Fleming’s Left-Hand Rule, the Field points Upward.
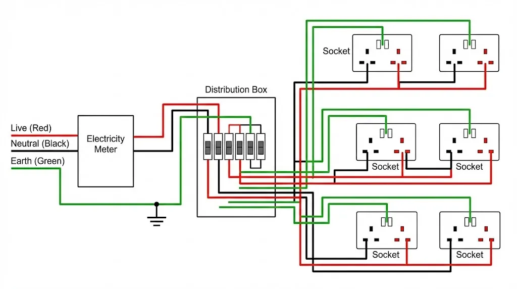
5. Domestic Electric Circuits
In our homes, we receive electric power (Mains) at 220 V.
| Wire Color | Name | Function |
|---|---|---|
| Red | Live Wire | Carries current from the source (220V). |
| Black | Neutral Wire | Completes the circuit (0V). |
| Green | Earth Wire | Safety measure. Connected to a metal plate deep in the earth. Ensures leakage current flows to earth preventing shock. |
- Fuse: Prevents damage due to overloading or short-circuiting by melting and breaking the circuit.
- Short-Circuiting: Occurs when live and neutral wires come into direct contact.
- Overloading: Occurs when too many appliances are connected to a single socket.
2. Earthing (Earth wire).
The circuit rating is only 5 A. Since 9.09 A > 5 A, the fuse will melt and break the circuit (or the circuit will overload).
2. Do not use high-power appliances (AC, heater) on the same circuit simultaneously.
3. Use appropriate fuses.
6. Chapter Exercises
Practice these NCERT exercise questions to master the chapter:
(a) Straight lines perpendicular to wire
(b) Straight lines parallel to wire
(c) Radial lines
(d) Concentric circles centred on the wire
(a) reduces substantially
(b) does not change
(c) increases heavily
(d) vary continuously
(a) The field at the centre of a long circular coil carrying current will be parallel straight lines.
(b) A wire with a green insulation is usually the live wire of an electric supply.
(b) False. Green is Earth wire; Live wire is Red.
2. Using a current-carrying conductor (Straight wire or Solenoid).
2. Force/Deflection: Right side.
3. Using Fleming’s Left Hand Rule (Middle finger = Front to Back, Thumb = Right), the Forefinger (Field) points Vertically Downwards.
(ii) Fleming’s Left-Hand Rule.
